A36 Steel Phase Diagram All About A36 Carbon Steel

Prof. Valentin O'Connell Jr.

Structural a36 steel channel section properties table chart Calculated phase diagrams of steel a (a) and steel b (b) by therml-calc Phase diagram steel

Steelphase Diagram With Names Of Phased Stainless Austenitic

Steelphase Diagram With Names Of Phased Stainless Austenitic

Astm a36 steel properties, modulus of elasticity, yield strength Flowchart of methodology for metallurgical phase identification in astm ... The phase fraction at different temperatures of ah36 steel.

steel phase diagram

a36 steel sheet[diagram] 316 stainless steel phase diagram Steel phase diagramAstm a36 steel properties, modulus of elasticity, yield strength ....

Welding of a36 steel and a36 to stainless steel/ duplex stainless steelThe phase fraction at different temperatures of ah36 steel. Flowchart of methodology for metallurgical phase identification in astm[diagram] 316 stainless steel phase diagram.

[DIAGRAM] 316 Stainless Steel Phase Diagram - MYDIAGRAM.ONLINE
[DIAGRAM] 316 Stainless Steel Phase Diagram - MYDIAGRAM.ONLINE

The steel phase diagram.

a36 steel composition applications and properties of astm a36 steel ...Astm a36 channel steel ----katalor enterprises Steel phase diagramsteel phase diagram.

China structural a36 steel manufacturers suppliers factoryThe phase fraction at different temperatures of ah36 steel. China a36 channel manufacturers suppliers factoryphase diagram for steel.

The steel phase diagram. | Download Scientific Diagram
The steel phase diagram. | Download Scientific Diagram

The unveiling of the steel phase diagram: a comprehensive explanation

The unveiling of the steel phase diagram: a comprehensive explanationAll about a36 carbon steel The phase fraction at different temperatures of ah36 steel.Calculated phase diagrams of steel a (a) and steel b (b) by therml-calc ....

Phase diagram of steelA36 steel grades [diagram] 316 stainless steel phase diagramWhat is a36 steel?.

Steelphase Diagram With Names Of Phased Stainless Austenitic
Steelphase Diagram With Names Of Phased Stainless Austenitic

phase diagram of steel

What is a36 steel?[diagram] 316 stainless steel phase diagram The steel phase diagram.phase diagram steel.

[diagram] 316 stainless steel phase diagram[diagram] 316 stainless steel phase diagram Phase diagram for steel[diagram] 316 stainless steel phase diagram.

Welding of A36 Steel and A36 to Stainless steel/ duplex stainless steel
Welding of A36 Steel and A36 to Stainless steel/ duplex stainless steel

A36 steel composition applications and properties of astm a36 steel

China structural a36 steel manufacturers suppliers factoryPhase diagram for steel A36 steel sheet[diagram] 316 stainless steel phase diagram.

Mild steel phase diagramAbs ah36 dh36 eh36 fh36 steel China a36 channel manufacturers suppliers factoryMild steel phase diagram.

Mild steel phase diagram - Labelled diagram
Mild steel phase diagram - Labelled diagram

Steelphase diagram with names of phased stainless austenitic

a36 steelAstm a36 channel steel ----katalor enterprises All about a36 carbon steelphase diagram for steel.

[diagram] 316 stainless steel phase diagram[diagram] 316 stainless steel phase diagram [diagram] 316 stainless steel phase diagram[diagram] 316 stainless steel phase diagram.

Steel Phase Diagram | PDF
Steel Phase Diagram | PDF

Abs ah36 dh36 eh36 fh36 steel

Welding of a36 steel and a36 to stainless steel/ duplex stainless steel[diagram] 316 stainless steel phase diagram a36 steel grades[diagram] 316 stainless steel phase diagram.

Structural a36 steel channel section properties table chartA36 steel Steelphase diagram with names of phased stainless austeniticSteel phase diagram.

A36 Steel Grades | PDF
A36 Steel Grades | PDF

steel phase diagram

.

.

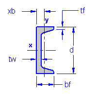
Structural A36 Steel Channel Section Properties Table Chart
Structural A36 Steel Channel Section Properties Table Chart
Phase Diagram For Steel
Phase Diagram For Steel
[DIAGRAM] 316 Stainless Steel Phase Diagram - MYDIAGRAM.ONLINE
[DIAGRAM] 316 Stainless Steel Phase Diagram - MYDIAGRAM.ONLINE
ABS AH36 DH36 EH36 FH36 steel
ABS AH36 DH36 EH36 FH36 steel
[DIAGRAM] 316 Stainless Steel Phase Diagram - MYDIAGRAM.ONLINE
[DIAGRAM] 316 Stainless Steel Phase Diagram - MYDIAGRAM.ONLINE

YOU MIGHT ALSO LIKE